Jindra Fučík

XWL Maus

Jedná se o mírnou modifikaci systému od Paco Cañada. Upravil jsem plošný spoj tak, aby bylo možné jej osadit do krabičky, nahradil jsem rádiovou číst za 868MHz a upravil součástky za takové, které je možné běžně koupit v čechách.

XWL Maus

This is only little modification of maus system done by Paco Cañada. I changed the PCB to fit in box, replaced radio part to 868MHz and replaced some parts to that one easy to buy in CZ.


all in one .zip
Systém se skládá ze dvou částí: Základnové stanice a ovladačů.
U ovladačů existují dvě verze, první jednoduchá, druhá poněkud efektnější. Řešil jsem jak ovladač zabudovat do krabičky tak, aby display byl ve správné pozici a stejně tak tlačítka. V první verzi jsem použil jednoduchá tlačítka, která jsou na jedné desce s displayem a celá deska je pak vypodložkovaná do krabičky. Ve druhém případě jsou tlačítka na samostatné desce, spojené pomocí distančních propojek a celek je pak přišroubován na dno krabičky.
Here exist two parts of system: base station and throttle.
For throttle i have done two versions. First one, more simple and second one more impressive. I was solved the problem, how to mount throttle to box with keep alignment of display and buttons. With first version I was used simple buttons on same board with display and all board is distanced from base of box. In second case the buttons are on separate board mounted with distance to base board and all mounted into box.
Zvolil jsem krabičku KM-26, která má montážní sloupek uprostřed, proto je nutné zachovat na prostředku desek volné místo.
V případě prvního ovladače jsem použil anténu s plochou montáži pod desku plošného spoje, ve druhé případě jsem přimontoval anténu do vrchní části krabičky. (podle mého názoru je spodní montáž lepši a anténa na kloubu je také efektnější).
U prvního případu jsem hlavní vypínač umístil pod desku plošného spoje, zatímco ve druhém jsem jej dal mezi desky. (i zde se mi mnohem lépe zamlouvá první varianta, bylo možné použít větší vypínač a v krabičce vypadá lépe)
Na druhou stranu miniaturní tlačítka použitá v první variantě nejsou nikterak efektní, barevná tlačítka s velkými hmatníky jsou mnohem hezčí. Bohužel větší tlačítka se nevejdou na společnou desku s ostatními komponentami.
I have chosen box KM-26, this one have mounting stand in the middle, then I should keep free place in a middle of PCB.
In a case of first throttle I was used antenna with bottom montage under the PCB, in a second case is antenna mounted to top part of box. (in my opinion the first one is better, also antenna with hinge look better)
In a first case I mount main switch under the board, in a second i mount it between boards. (also here the first variant is better, I can use bigger switch and it look better in a box)
From the other hand miniature buttons from first variant not look good, colorful push buttons with bigger fingerboards look much better. The problem is that it is not possible to fit it to one board with other parts.

 
all in one .zip
Co se týká základnové stanice, tam není žádný velký problém s mechanickou montáží, prostě jsem jí nakonec umístil do krabičky pro vypínač.

Následující obrázky ukazují některé detaily montáže, jako distanční sloupky, uchycení displaye a další zajímavé drobnosti.
Regarding base station I no solved any complicated issue; I put it into simple electrical switch box.

Following pictures describing some interesting mechanical parts, like distance stands, mounting of display and others.





Součástky jsem z větší části kupoval v běžném obchodě se součástkami, pouze antény jsem koupil u MOUSER elektronic (u nás zastoupeném firmou Maus elektronik) a VF moduly u firmy FLAJZAR. Electronic parts are from usual electronic shops, only antennas are from MOUSER elektronic and VF modules from FLAJZAR.

Base station
NamePartRemark
C1, C2100uF/16Velectrolyte
C3, C4, C5100nceramic
D11N4148100mA diode
IC1PIC16F690processor
IC278L05voltage regulator
IC3MAX485XpressNet driver
J1WEBP 6-4 LPRJ12 socket 4/6 pin
JP2Antena 712-ANT-868-PMLPermanent antenna 1/2 wave 868MHz
JP3AWRF20Z-6,96,9mm x 2,54mm universal socket GME
LED1, LED2, LED3LEDsany color, any size, 20mA max
R1, R2330Rresistor
R31K2resistor
S1DIP 06 BLUEDIP 6x switch
RxRX868FSK1868MHz FSK receiver

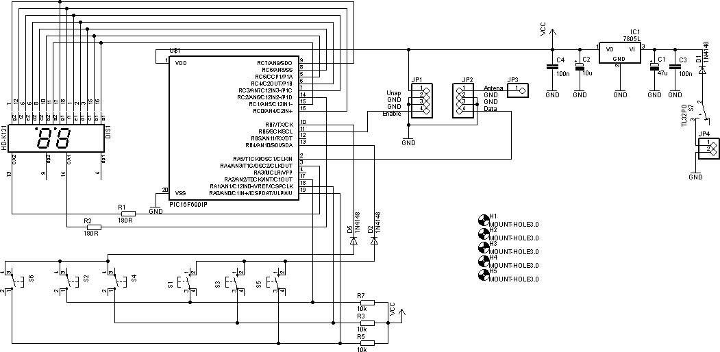
Throttle
NamePartRemark
C147uF/16Velectrolyte
C210uF/16Velectrolyte
C3, C4100nceramic
D1, D2, D51N4148100mA diode
DIS1HD-D-5622FUY-11common cathode, 2 chars, 14,2mm
U$1PIC16F690processor
IC178L05voltage regulator
JP1, JP2AWRF20Z-6,96,9mm x 2,54mm universal socket GME
JP3Antena 712-ANT-868-PW-RA
712-ANT-868-PW-QW
Permanent antenna 1/4 wave 868MHz
JP4006-PI9V battery clips GME
R1, R2180Rresistor
R3, R5, R710Kresistor
S1, S2, S3, S4, S5, S6TC-0111-T
P-DT6
6x switch
S7P-B114
SK-12D20-V2
slide switch
RxTX868FSK1868MHz FSK transmitter
KrabiceU-KM26 ABSuniversal box
Baterie9V (6F22, 6LR61)resistor



Download: HEX files Návod k použití.