Jindra Fučík

Tento článek popisuje dvě podobná zařízení.
Jedno je plně digitální a pracuje jako DCC dekodér,
Druhé je navržené pro připojení k DC (analogovému) řízení.
Existuje také DCC inovovaná verze

This text describe two similar devices.
First is full digital and works as DCC decoder,
Second is designed for plug into DC (analog) controller.
It exist DCC inovovated version

Mini DCC dekodér pro jedno světlo

Na svém kolejišti jsem řešil pouliční lampy a napadlo mne, že by mohlo být užitečné, pokud by každá lampa měla svůj vlastní dekodér. Pokud by byl tento dekodér dostatečně malý a kompaktní, bylo by možné jej vkládat přímo do lampy - přesněji pod lampu, do trubičky, kterou používám abych mohl lampy při čištění kolejiště vytahovat.
Docela mne zaujal procesor PIC10F322 (PIC10F320), jedná se o midrange procesor, nicméně v pouzdře SOT-23/6. Reklama o řadě PIC10F hovoř jako o nejmenších procesorech na světě. Tento procesor má na rozdíl od předchůdců PIC10F2xx několik předností: Má vstup pro přerušení, má celkem dost paměti a jedná se o Midrange jádro. Trochu mrzuté je, že procesor nedisponuje uživatelskou eeprom pamětí, nicméně má možnost samo-programování, takže je možné ukládat konfigurační proměnné na konec paměti programu.

Mini DCC decoder for one light

During installation of street lamps on my layout I think, that it will be useful to have small DCC decoder in every lamp. Once this decoder will be enough small and compact, it can be installed in lamp (or to bottom tube I'm using to be able remove lamps during cleaning).
I was interested in processor PIC10F322 (PIC10F320). It is midrange processor, but in SOT-23/6 case. Advertising informing, that product line PIC10F is world smallest processor. This processor is better compare to previous PIC10F2xx because: Containing interrupt input, have enough memory and contain midrange core. Little problem is, that processor not contain user eeprom memory, but it is possible to use self-programming functionality. Then it is possible to store configuration variables at the end of program.
Při návrhu jsem zvažoval možnosti konfigurace. Pro DCC by bylo správné použít programování CV, to má ale řadu úskalí. Nejsem schopen vytvořit ACK, takže není možné použít stránkový režim. Pro naplnění přímého režimu by bylo nutné udělat správné mapování CV a to by pravděpodobně znamenalo obsazení většiny paměti.
Nakonec jsem se rozhodl programování omezit jen na minimalistickou konfiguraci pomocí propojky. Na procesoru jsou ještě dva volné vývody, jeden tedy použiji pro programování adresy a druhý pro programování konfigurační proměnné, kterou si pracovně označuji jako entropie. Postup programování je jednoduchý - stačí vodivě propojit příslušný vývod a společnou zem, následně pak přehodit výhybku s příslušnou adresou a dojde k zápisu.
Pokud používáme efekty, které mají rozsáhlejší konfiguraci, pak se další proměnné nedají měnit "za běhu".

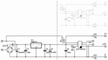
Schéma celého zařízení je jednoduché, vychází z oddělené zdrojové části (nebo základnové stanice), ke které se dá připojit několik (max cca. 30~40) lampiček. Lampičky jsou koncipované pro napájení 4-5V. Připojuje se vždy jedna svítivá dioda mezi výstup "LED" a "V-". Pak se nemusí osazovat rezistor R3. Je možné připojit i druhou svítivou diodu mezi "LED" a "V+", ta pak bude svítit doplňkově k první. To se hodí například hodí pro obsluhu dvou-světelných návěstidel, kdy svítí buď jedno, nebo druhé světlo.
Dekodér pracuje s napětím 5V a tomu také odpovídají hodnoty předřadných odporů R2 a R3. Tyto odpory jsou součástí dekodéru a není tedy nutné používat žádné další.
During design phase I planned possibilities of configuration. For DCC will be preferred to use CV programming, here is lot of problems. It is not possible to create ACK, then it is not possible to use page mode programming. For fulfilling direct CV mode it will be necessary to done right CV mapping and it will mean usage of more memory.
Then I decided to use limit programming to minimum configuration using shorting jumper. Here is two free pins, then I will use one for address programming, and second for programming value I'm marking as "entropy". Way of programming is easy - short proper pin with ground and then switch proper turnout and requested value is written.
Once we are using effect with more configuration variables, then other variables can not be changed "on the fly".

Schematics of device is simple, it is based on separate power part (or base station), where is possible to connect few (max cca 30~40) lamps. Lamps are designed for powering 4-5V. It is used with one LED diode connected between outputs "LED" and "V-". Then it is no necessary to use resistor R3. It is also possible to connect second diode between outputs "LED" and "V+". Then second LED lighting oposite then first one. It is useful for example for two-light semaphores, where lighting one or second light.
Decoder working with 5V, then value of resistors R2 and R3 is designed for this voltage. It is no necessary to ad any other resistor.
Jak již bylo napsáno, programování se neprovádí klasicky, ale pomocí propojek. V případě, že chceme nastavit adresu, propojíme vodivě (hrotem vhodného šroubováku) dvě plošky označené na následujícím obrázku modrým rámečkem. Pak stačí přehodit příslušnou výhybku (poslat příkaz správnému příslušenství) a dekodér si adresu zapamatuje.
Podle použitého efektu dekodér uznává ještě další konfigurační proměnnou, která se označuje jako entropie. Tu lze také měnit. Stačí vodivě propojit dvě plošky jak je naznačeno modrou čárou na dalším obrázku a pak přehodit výhybku s číslem, které se má zapsat. POZOR podle použitého systému se zapíše následující číslo: Pro Roco systémy to je číslo výhybky zmenšené o jedničku (protože výhybka s číslem 0 neexistuje, ale číslo je to důležité, tak se při přehození výhybky 1 zapíše číslo 0, při přehození výhybky 2 ze zapíše 1 a tak dále). Pro systémy Lenz se zapíše číslo o tři větší, protože Lenz neuznává nultou adresu, takže pro výhybku 1 se zapíše číslo 4, pro výhybku 2 se zapíše číslo 5. Čísla menší budou asi jako výhybky 2045(0), 2046(1), 2047(2) a 2048(3), ale nemám Lenz systém, abych si to ověřil.
As it was stated before, programming is not done by usual method, but is done using shorting wires. In a case we would like to configure address, we should short (using screw driver) two pads marked by blue square on following picture. Then you should switch requested turnout (send command to proper accessory) and decoder will remember address.
Depend on used light effect decoder using next configuration variable. That variable is marked as "entropy". It can be also changed. It can be done by shorting two pads as shown on next picture by blue line and then switch turnout with proper number. WARNING depend on used DCC system will be written following number: For Roco systems the number will be turnout number decremented by one (because turnout number 0 does not exist, but this number is interesting, then switching turnout 1 you will get number 0, switching turnout 2 you will get number 1 etc). For Lenz systems will be written incremented by three, because Lenz not support address zero. Then for turnout 1 will be written number 4, for turnout 2 will be written number 5. Numbers less then 4 may be as turnouts 2045(0), 2046(1), 2047(2), 2048(3). But I have no Lenz to test it.

Pokud některý světelný efekt používá ještě další konfiguraci, pak jí nelze měnit za chodu, ale při programování procesoru (procesor lze programovat i za chodu v zařízení připojeném v kolejišti). Další proměnné jsou označovány jako CV10, CV11 a tak dále. Jejich obsah naleznete na konci HEX kódu. Následující obrázek ukazuje příklad takové konfigurace. Proměnná vždy začíná "34" a pak je vlastní proměnná (pozor, v šestnáctkové soustavě).
Proměnné CV1 a CV9 jsou označené jen z formálních důvodů. Jejich tvar odpovídá informaci uložené v DCC paketu.
Proměnné ENT1 a ENT2 dohromady představují jednu hodnotu entropie. Jejich tvar odpovídá zápisu:
Entropie = ENT2 * 256 + ENT1
Once some light effect using additional configuration variables, then it is not possible to change it "on the flight", but during programming processor (this processor can be programmed also in device connected to rails). Additional variables are marked as CV10, CV11 etc. Value of this variables is stored at the end of HEX code. Following picture show example of configuration like this. Value always start with "34" and then is real value (do not forget, that it is in hexadecimal form).
Values CV1 and CV9 are marked from formal reason only. Its form is related to form used in DCC packets.
Variables ENT1 and ENT2 together mean one value of entropy. Form of entropy is:
Entropy = ENT2 * 256 + ENT1

Občas se někdo ptá, jak je možné tak malé procesory programovat. Existuje patice, ale je celkem hodně drahá. Proto dá použít jednoduchá finta. Na plošky určené pro konfiguraci připájet drátky, které se dají použít pro programátor. Programovat lze plně osazené destičky. Viz následující fotografie.

Sometimes somebody asking me, how is possible to program that small device. It exist socket for those devices, but it is little expensive. Then I'm using small trick. Soldering wires to the pads for configuration. Then it is possible to program. It is possible to program completed device. See following pictures


Existující efekty

Stmívání

Tento jednoduchý efekt se používá ke zobrazení klasické žárovky, jejíž náběh je pozvolný a která má drobný dosvit. Lze jej také použít pro dvousvětelná návěstidla.
Efekt používá pouze hodnotu ENT1 pro definici sklonu křivky. Pro příliš velké hodnoty může docházet k blikání.

Existing effects

Fade

This simple effect can be used for representing classic bulb, with smooth start and with small colding effect. It can be also used in two light semaphores.
Effect using only one configuration variable ENT1 for definition speed of light-up. For large values can become blinking

CV Values
CV#defaultmin-maxvýznammeaning
1+951-2000Adresa (pro Roco 5, pro Lenz 1)Address (for Roco 5, for Lenz 1)
ENT1+ENT221 (15h)0-255SklonSpeed


Sodíková lampa

Tento efekt se pokouší simulovat spouštění sodíkové lampy. Lampa při spuštění udělala krátký záblesk a pak se postupně rozbíhala. Pokud bylo víc lamp v řadě, pak startují jedna za druhou, proto má efekt definovatelné zpoždění. Lampy za sebou na ulici by měli mít zpoždění jdoucí po sobě (1, 2, ...).
Efekt používá hodnotu ENT1 pro definici zpoždění, hodnota CV11 definuje délku prvního pulzu, CV12 jeho intenzitu. CV13 rychlost náběhu a CV10 maximální hodnotu.
Časové konstanty jsou navíc ovlivněny náhodnou složkou, takže efekt je pokaždé mírně jiný.

High presure sodium lamp

This effect simulate high presure sodium lamps. Lamp create short flash and then slowly warming up. In a case here is more lamps on street, they starting up one by one, then effect using defined delay. Lamps on one street should use delay in alignment (1, 2, ...).
Efect using value of ENT1 for definition of delay, value of CV11 define time for first pulse, CV12 intensity of first pulse. CV13 is speed of warm up and CV10 total maximum level.
Time values are affected by random numbers, then effect is not always same.

CV Values
CV#defaultmin-maxvýznammeaning
1+951-2000Adresa (pro Roco 5, pro Lenz 1)Address (for Roco 5, for Lenz 1)
ENT1+ENT21 (1h)1-255PořadíOrder
CV1054 (36h)1-255MaximumMaximum
CV1132 (20h)1-255Čas prvního zábleskuTime for first flash
CV1234 (22h)1-255Intenzita prvního zábleskuIntensity for first flash
CV1321 (15h)1-255Rychlost zahříváníWarm up speed


Zářivka

V principu jednoduchý efekt, který se snaží simulovat startování zářivky nebo neonky. Efekt je založený na náhodném provedení efektu, proto je žádoucí, aby každý dekodér obsahoval jiné počáteční podmínky. Tedy aby hodnota entropie byla pro každý dekodér jiná. Proto se entropie nepoužívá primárně pro nastavení efektu. Pro nastavení se používají proměnné CV10 a CV11.
Hodnota CV10 určuje maximální počet probliknutí při spuštění. Jedná se o bitovou masku, proto rozumných výsledků docílíte pokud použijete hodnotu 15(0Fh),31(1Fh),63(3Fh),127(7Fh),255(FFh). Teoreticky jsou použitelné i hodnoty 1,3 a 7, ale nemají takový efekt.
Hodnota CV11 určuje rozsah intenzity. V reálu její změnou dojde jen k ovlivnění rychlosti startu zářivky.
Na efekt má ještě vliv devátý bit entropie. Pokud je nastaven (hodnota entropie je v rozsahu 256-511), potom se zářivka chová jako porouchaná a nikdy se nerozběhne, bude neustále problikávat.

Neon lamp

In the principle simple effect. It is trying to simulate warming up neon light. Effect is based on random view, then it is recommended to have different start-up conditions for any lamp. Then value of entropy should be different for different lamps. It means, that entropy is not used for configuration of effect. For configuration are used variables CV10 and CV11.
Value of CV10 represent maximum number of flashes during warm up. It is bit mask, then useful values are 15(0Fh),31(1Fh),63(3Fh),127(7Fh),255(FFh). In the theory can be used also values 1,3 and 7, but effect is not that good.
Value of CV11 mean value for maximum intensity. In reality change of this value will affect only speed of warm up.
Effect is also affected by ninth bit of entropy. Once it is set (value of entropy is between values 256-511), then lamp look like damaged and will never start up.

CV Values
CV#defaultmin-maxvýznammeaning
1+951-2000Adresa (pro Roco 5, pro Lenz 1)Address (for Roco 5, for Lenz 1)
ENT1+ENT21 (1h)1-255PořadíOrder
CV1031 (1Fh)1-255Max počet záblesků (používejte 15, 31, 63, 127, 255)Max no of flashes (use 15, 31, 63, 127, 255)
CV118 (08h)1-255Maximum intenzity (ovlivňuje rychlost)Maximum intensity (affecting speed)


Sváření

Tento efekt se pokouší simulovat odlesky při elektrickém svařování. Je určen zejména do vnitřku technické budovy (výtopny, depa), kde představuje svářeče na kterého není vidět.
Ve větších měřítcích s použitím malé LEDky ho lze dát i na viditelné másto a dát k němu postavičku svářeče.
Efekt má několik částí. Nejprve si svářeč jen tak lehce "škrtne", aby správně začal. Pak nějakou dobu intenzivně svařuje. To celé se několikrát opakuje.

Hodnota CV10 určuje, kolikrát si svářeč maximálně "škrtne". Používá se polovina a hodnota se používá jako bitová maska, takže efektivní hodnoty jsou 0,1 (žádné škrtnutí), 3 (maximálně jedno škrtnutí), 7 (maximálně tři škrtnutí) a 15(0F hex) (maximálně sedm škrtnutí, ale to je vhodné tak na svářečský učňák).
Hodnota CV11 udává maximální hodnotu pro PWM. V podstatě má vliv na rychlost efektu.
Hodnota ENT1 (entropie) udává, kolikrát bude svářeč svařovat. Pokud je hodnota ENT2=1 (entropie v rozsahu 256-511), svářeč začne svařovat a nikdy neukončí první svár. Pokud je hodnota ENT2=2 (entropie v rozsahu 512-767), svářeč bude neustále začínat další a další svár.

Welding

This effect trying to simulate light effects during welding. It is designed especially to interior of buildings (depots, roundhouses). It present non visible welders.
For bigger scales, with usage of small LEDs it can be also used on visible place with figure of welder.
Effect consist of few steps. First welder few times gently "flashes" to find right place where will start. Then for some time welding. all the effect repeating few times.

Value of CV10 mean maximum times for first "flash". Only half of value is used and value is used as bit mask. Then effective values are: 0,1 (no flashes), 3 (maximum one flash), 7 (maximum three flashes) and 15(0F hex) (maximum sevn flashes, but it is good for welding students).
Value of CV11 represent maximum value for PWM. In reality it affect only speed of effect.
Value of ENT1 (entropy) mean number of try welder will done. Once value of ENT2=1 (value of entropy is 256-511), welder will start welding and never finish first weld. Once ENT2=2 (value of entropy is 512-767), then welder will start next and next weld.

CV Values
CV#defaultmin-maxvýznammeaning
1+951-2000Adresa (pro Roco 5, pro Lenz 1)Address (for Roco 5, for Lenz 1)
ENT1+ENT23 (03h)1-255Počet svárůNumber of welds
CV107 (07h)1-255Max počet záblesků (používejte 0, 1, 3, 7, 15)Max no of flashes (use 0, 1, 3, 7, 15)
CV118 (08h)1-255Maximum intenzity (ovlivňuje rychlost)Maximum intensity (affecting speed)



Mini efekt pro jedno světlo

Při tvorbě DCC dekodéru jsem zjistil, že by mohlo být užitečné a mnohdy dokonce jednodušší udělat verzi, která se bude chovat naprosto analogově. Tedy zařízení, které má dva drátky, na které když se připojí 9-12V (stejnosměrných, filtrovaných), tak dojde k "zapálení" zářivky.
Pro takto jednoduchou aplikaci půjde využít procesor PIC10F200, což je vůbec nejlevnější procesor na maloobchodním trhu. Tento procesor je dostupný v pouzdře SOT-23/6. Rozložení nožiček umožňuje "vystavět" celé zařízení přímo na nožičky procesoru bez použití desky plošného spoje jako sněhuláka. Pokusil jsem se namalovat obrázek, jak takové zapojení může vypadat.
Zařízení lze pochopitelně kombinovat s běžnými DCC dekodéry pro příslušenství jako je například
TENTO.
Zařízení lze také použít k vylepšení existujících kolejišť. Jednoduše se přidá na drátky k existujícím lampám.

Mini effect for one light

When I was created DCC decoder, I was found, that it can be useful and many times more simple to build also version what will work like analogue. It mean device with two wires. Once they are connected to power 9-12V (DC, filtered), then will simulate "warm up" of lamp.
For this simplified application can be used processor PIC10F200. It mean cheaper processor on market. This processor is available in package SOT-23/6. Pin layout allow to build all device directly on processor pins like "snowman" without using PCB. I was try to draw picture how that device can look like.
Device can be easily combined with usual DCC accessory decoders like THIS.
Device can be also used for upgrade on existing layouts - simple add it to existing lamps.


Pro nastavování se požívá podobná metoda jako pro digitální verzi, jen není potřeba nastavovat adresu. Používá se jen entropie a ostatní doplňkově hodnoty, které budu označovat stejně - CV10, CV11 a dále. For configuration is used same method as for digital version, only address is no necessary. It using entropy and rest of additional configuration values. I will use same marking - CV10, CV11 etc.

Existující efekty

Zářivka

V principu jednoduchý efekt, který se snaží simulovat startování zářivky nebo neonky. Efekt je založený na náhodném provedení efektu, proto je žádoucí, aby každý dekodér obsahoval jiné počáteční podmínky. Tedy aby hodnota entropie byla pro každý dekodér jiná. Proto se entropie nepoužívá primárně pro nastavení efektu. Pro nastavení se používají proměnné CV10 a CV11.
Hodnota CV10 určuje maximální počet probliknutí při spuštění. Jedná se o bitovou masku, proto rozumných výsledků docílíte pokud použijete hodnotu 15(0Fh),31(1Fh),63(3Fh),127(7Fh),255(FFh). Teoreticky jsou použitelné i hodnoty 1,3 a 7, ale nemají takový efekt.
Hodnota CV11 určuje rozsah intenzity. V reálu její změnou dojde jen k ovlivnění rychlosti startu zářivky.
Na efekt má ještě vliv číslo ENT2. Pokud je liché, potom se zářivka chová jako porouchaná a nikdy se nerozběhne, bude neustále problikávat.

Existing effects

Neon lamp

In the principle simple effect. It is trying to simulate warming up neon light. Effect is based on random view, then it is recommended to have different start-up conditions for any lamp. Then value of entropy should be different for different lamps. It means, that entropy is not used for configuration of effect. For configuration are used variables CV10 and CV11.
Value of CV10 represent maximum number of flashes during warm up. It is bit mask, then useful values are 15(0Fh),31(1Fh),63(3Fh),127(7Fh),255(FFh). In the theory can be used also values 1,3 and 7, but effect is not that good.
Value of CV11 mean value for maximum intensity. In reality change of this value will affect only speed of warm up.
Effect is also affected by value of ENT3. Once it is odd, then lamp look like damaged and will never start up.

CV Values
CV#defaultmin-maxvýznammeaning
ENT11 (1h)1-255PořadíOrder
ENT20 (0h)1-255Pokud je 1, pak porouchaná zářivkaIf equal 1, then damaged lamp
CV1031 (1Fh)1-255Max počet záblesků (používejte 15, 31, 63, 127, 255)Max no of flashes (use 15, 31, 63, 127, 255)
CV118 (08h)1-255Maximum intenzity (ovlivňuje rychlost)Maximum intensity (affecting speed)


Sodíková lampa

Tento efekt se pokouší simulovat spouštění sodíkové lampy. Lampa při spuštění udělala krátký záblesk a pak se postupně rozbíhala. Pokud bylo víc lamp v řadě, pak startují jedna za druhou, proto má efekt definovatelné zpoždění. Lampy za sebou na ulici by měli mít zpoždění jdoucí po sobě (1, 2, ...).
Efekt používá hodnotu ENT1 pro definici zpoždění, hodnota CV11 definuje délku prvního pulzu, CV12 jeho intenzitu. CV13 rychlost náběhu a CV10 maximální hodnotu.
Časové konstanty jsou navíc ovlivněny náhodnou složkou, takže efekt je pokaždé mírně jiný.

High presure sodium lamp

This effect simulate high presure sodium lamps. Lamp create short flash and then slowly warming up. In a case here is more lamps on street, they starting up one by one, then effect using defined delay. Lamps on one street should use delay in alignment (1, 2, ...).
Efect using value of ENT1 for definition of delay, value of CV11 define time for first pulse, CV12 intensity of first pulse. CV13 is speed of warm up and CV10 total maximum level.
Time values are affected by random numbers, then effect is not always same.

CV Values
CV#defaultmin-maxvýznammeaning
ENT1+ENT21 (1h)1-255PořadíOrder
CV1054 (36h)1-255MaximumMaximum
CV1132 (20h)1-255Čas prvního zábleskuTime for first flash
CV1234 (22h)1-255Intenzita prvního zábleskuIntensity for first flash
CV1321 (15h)1-255Rychlost zahříváníWarm up speed


Sváření

Tento efekt se pokouší simulovat odlesky při elektrickém svařování. Je určen zejména do vnitřku technické budovy (výtopny, depa), kde představuje svářeče na kterého není vidět.
Ve větších měřítcích s použitím malé LEDky ho lze dát i na viditelné másto a dát k němu postavičku svářeče.
Efekt má několik částí. Nejprve si svářeč jen tak lehce "škrtne", aby správně začal. Pak nějakou dobu intenzivně svařuje. To celé se několikrát opakuje.

Hodnota CV10 určuje, kolikrát si svářeč maximálně "škrtne". Používá se polovina a hodnota se používá jako bitová maska, takže efektivní hodnoty jsou 0,1 (žádné škrtnutí), 3 (maximálně jedno škrtnutí), 7 (maximálně tři škrtnutí) a 15(0F hex) (maximálně sedm škrtnutí, ale to je vhodné tak na svářečský učňák).
Hodnota CV11 udává maximální hodnotu pro PWM. V podstatě má vliv na rychlost efektu.
Hodnota ENT1 (entropie) udává, kolikrát bude svářeč svařovat. Pak efekt končí a LED zůstává zhasnutá do vypnutí napájení. Pokud je hodnota ENT2=1 (entropie v rozsahu 256-511), svářeč začne svařovat a nikdy neukončí první svár. Pokud je hodnota ENT2=2 (entropie v rozsahu 512-767), svářeč bude neustále začínat další a další svár.

Welding

This effect trying to simulate light effects during welding. It is designed especially to interior of buildings (depots, roundhouses). It present non visible welders.
For bigger scales, with usage of small LEDs it can be also used on visible place with figure of welder.
Effect consist of few steps. First welder few times gently "flashes" to find right place where will start. Then for some time welding. all the effect repeating few times.

Value of CV10 mean maximum times for first "flash". Only half of value is used and value is used as bit mask. Then effective values are: 0,1 (no flashes), 3 (maximum one flash), 7 (maximum three flashes) and 15(0F hex) (maximum sevn flashes, but it is good for welding students).
Value of CV11 represent maximum value for PWM. In reality it affect only speed of effect.
Value of ENT1 (entropy) mean number of try welder will done. Then effect will finish and LED remain dark until power is switched off. Once value of ENT2=1 (value of entropy is 256-511), welder will start welding and never finish first weld. Once ENT2=2 (value of entropy is 512-767), then welder will start next and next weld.

CV Values
CV#defaultmin-maxvýznammeaning
ENT1+ENT23 (03h)1-255Počet svárůNumber of welds
CV107 (07h)1-255Max počet záblesků (používejte 0, 1, 3, 7, 15)Max no of flashes (use 0, 1, 3, 7, 15)
CV118 (08h)1-255Maximum intenzity (ovlivňuje rychlost)Maximum intensity (affecting speed)



TV

Černobílá televize.

TV

Black&hite TV.

Oheň

Molé ohniště.

Fireplace

Small fireplace.
Pokud máte problém s osazováním, nebo s výrobou desek plošných spojů, využijte kontaktní formulář na TOMTO web-shopu, kde si můžete objednat komponenty nebo hotový dekodér. Once you have problems with soldering or creating PCB boards, please use contact form on THIS web-shop, where you can order some parts or finished decoder.